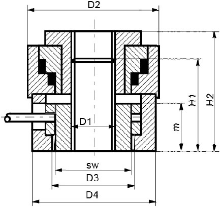
螺栓拉伸器,活塞内含螺纹的单级拉伸器。
【 最大拉伸力 】:11486KN

| 规格型号 | 螺纹规格D1 | 拉伸力(KN) | 六角螺母DIN934 | D2 | 行程 | 支承座 | H1 | H2 | ||||
| M | Lnch | KN | SW | M | mm | mm | D3 mm |
D4mm | mm | mm | ||
| SOV-HTB-20 | M20 | 3/4 | 198 | 30 |
20 |
67 | 5 | 44 | 55 | 40 | 100 | |
| SOV-HTB-24 | M24 | 1 | 286 | 36 | 24 | 75 | 5 | 51 | 64 | 48 | 115 | |
| SOV-HTB-27 | M27 | 1-1/8 | 372 | 41 | 27 | 83 | 5 | 57 | 72 | 54 | 120 | |
| SOV-HTB-30 | M30 | 1-1/8 | 454 | 46 | 30 | 90 | 5 | 61 | 78 | 60 | 135 | |
| SOV-HTB-33 | M33 | 1-1/4 | 562 | 50 | 33 | 98 | 5 | 67 | 86 | 66 | 140 | |
| SOV-HTB-36 | M36 | 1-3/8 | 662 | 55 | 36 | 105 | 6 | 73 | 94 | 72 | 155 | |
| SOV-HTB-39 | M39 | 1-1/2 | 790 | 60 | 39 | 108 | 6 | 80 | 103 | 78 | 170 | |
| SOV-HTB-42 | M42 | 1-5/8 | 908 | 65 | 42 | 125 | 6 | 84 | 109 | 84 | 175 | |
| SOV-HTB-45 | M45 | 1-3/4 | 1058 | 70 | 45 | 130 | 6 | 91 | 117 | 90 | 190 | |
| SOV-HTB-48 | M48 | 1-7/8 | 1193 | 75 | 48 | 135 | 8 | 96 | 124 | 96 | 205 | |
| SOV-HTB-52 | M52 | 2 | 1424 | 80 | 52 | 145 | 8 | 103 | 134 | 104 | 230 | |
| SOV-HTB-56 | M56 | 2-1/4 | 1644 | 85 | 56 | 155 | 8 | 109 | 143 | 112 | 235 | |
| SOV-HTB-60 | M60 | 2-3/8 | 1913 | 90 | 60 | 173 | 8 | 115 | 152 | 120 | 245 | |
| SOV-HTB-64 | M64 | 2-1/2 | 2168 | 95 | 64 | 183 | 8 | 121 | 161 | 128 | 260 | |
| SOV-HTB-68 | M68 | 2-3/4 | 2475 | 100 | 68 | 193 | 10 | 127 | 170 | 136 | 270 | |
| SOV-HTB-72 | M72 | 2-7/8 | 2802 | 105 | 72 | 203 | 10 | 133 | 179 | 144 | 290 | |
| SOV-HTB-76 | M76 | 3 | 3150 | 110 | 76 | 213 | 10 | 139 | 189 | 152 | 310 | |
| SOV-HTB-80 | M80 | 3-1/4 | 3519 | 115 | 80 | 235 | 10 | 145 | 198 | 160 | 335 | |
| SOV-HTB-90 | M90 | 3-3/8 | 4529 | 130 | 90 | 260 | 10 | 165 | 225 | 180 | 370 | |
| SOV-HTB-100 | M100 | 3-1/2 | 5666 | 145 | 100 | 305 | 12 | 180 | 248 | 200 | 425 | |
| SOV-HTB-110 | M110 | 4-3/8 | 6930 | 155 | 110 | 335 | 12 | 191 | 268 | 220 | 460 | |
| SOV-HTB-120 | M120 | 4-3/4 | 8322 | 170 | 120 | 365 | 15 | 211 | 295 | 240 | 520 | |
| SOV-HTB-125 | M125 | 4-7/8 | 9065 | 180 | 125 | 380 | 15 | 225 | 312 | 250 | 535 | |
| SOV-HTB-140 | M140 | 5-1/2 | 11486 | 200 | 140 | 435 | 15 | 246 | 345 | 280 | 590 | |
*如因产品更新迭代,表中参数有所变动,恕不另行通知。